Documentation
Descrição
Complete box with 1 die set, spare parts, and reference data sheet for crimping ofPlasti-GripTerminal, Cable Range 0.50 - 6.00 SQ-MM. For Red, Blue, and Yellow.
For example to use with:
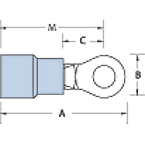
| Picture | Size A | Size B | Size C | Size M | Sample application |
| (inches) | |||||
![]() |
.86 | .29 | .25 | .71 |
RA2243 |
![]() |
.86 | .26 | .25 | .74 |
RA853 |
![]() |
.86 | .29 | .25 | .71 |
RA2253 |
![]() |
.86 | .25 | .25 | .71 |
RA2213 |
![]() |
.89 | .31 | .25 | .74 |
RA873 |
![]() |
1.07 | .46 | .31 | .84 |
RA723 |
![]() |
0.89 | .31 | .25 | .74 |
RA863 |
![]() |
1.08 | .47 | .31 | .81 |
RB713 |
![]() |
.89 | .31 | .25 | .71 |
RB863 |
![]() |
.87 | .29 | .25 | .71 |
RB2253 |
![]() |
.87 | .25 | .25 | .71 |
RB2213 |
![]() |
1.17 | .53 | .35 | .87 |
RB733 |
![]() |
.87 | .29 | .25 | .71 |
RB2233 |
![]() |
.89 | .31 | .25 | .71 |
RB853 |
![]() |
.97 | .38 | NA | NA |
RB2573 |
![]() |
.91 | .29 | NA | NA |
RB250 |
![]() |
.89 | .31 | .25 | .71 |
RB873 |
![]() |
1.08 | .47 | .31 | .84 |
RB723 |
![]() |
1.00 | .37 | .27 | .81 |
RC2213 |
![]() |
1.21 | .53 | .31 | .94 |
RC703 |
![]() |
1.12 | .53 | .32 | .86 |
RC713 |
![]() |
1.00 | .37 | .27 | .81 |
RC863 |
![]() |
1.00 | .37 | .27 | .81 |
RC363 |
![]() |
1.37 | .72 | .52 | 1.02 |
RC753 |
![]() |
1.00 | .37 | .27 | .81 |
RC2223 |
![]() |
.97 | .31 | .27 | .81 |
RC2203 |
![]() |
1.10 | .29 | NA | NA |
RC250 |
![]() |
1.27 | .59 | .35 | .98 |
RC733 |
![]() |
1.203 | .24 | .40 | .20 |
RC484 |





























